AB_MRS精密回转工作台
■分体式无铁芯力矩电机直接驱动,零齿槽效应
■优于0.8arcsec(ISO230-2)的双向重复定位性能
■定位精度<2arc sec(ISO230-2)
■位置定位能力(稳态误差)优于±0.08arc sec
■动态性能优异,25ms可进入±0.08arc sec稳态
■大跨距高刚性的角接触滑动摩擦轴系
- 产品概要
- 技术指标
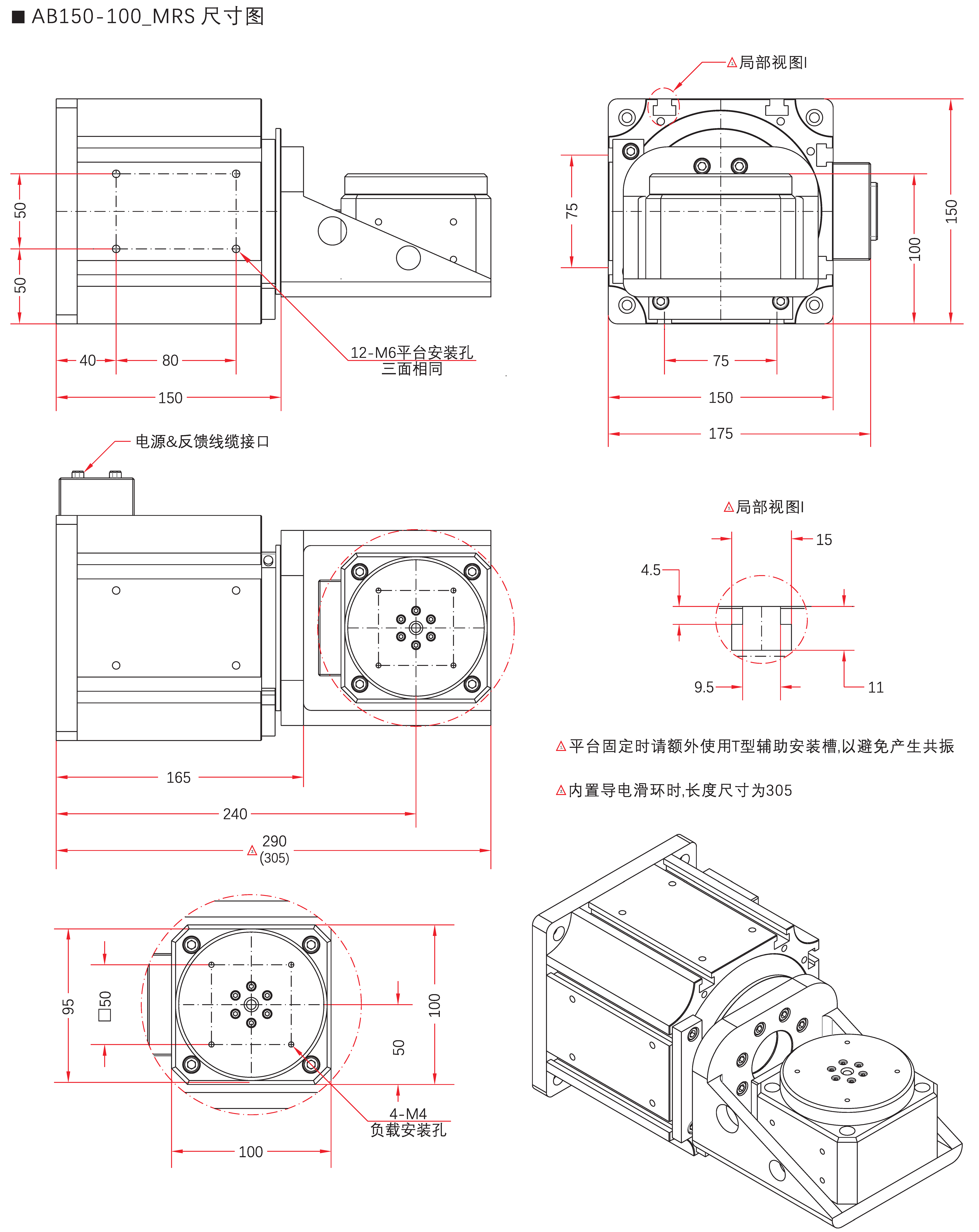
- 产品尺寸
- 订购信息
■优异的滑动摩擦特性
AB_MRS精密回转工作台集成了CNBHC自主研发的MDRT和MDRS系列产品的优点,AB系列精密回转工作台的速度和加速能力明显高于其他竞争产品。与给定扭矩范围内的竞争产品相比,AB_MRS系列精密回转工作台拥有更低的尺寸高度。
■卓越的定位能力
AB_MRS 系列精密回转工作台凭借高性能的无铁芯力矩电机配合精密调校的角接触滑动摩擦轴系,为系统提供了高达0.02arc sec的控制分辨率。极小且趋于线性的滑动摩擦阻力为系统的微步增量运动提供了保障,使其具有优于±0.08arc sec的卓越位置定位能力(稳态误差)和优于25ms的快速整定时间(稳态时间)。
■出色的控制分辨率
采用分体式无铁芯力矩电机,降低了周期性的转矩误差。该精密直驱转台分辨率可达0.001″。超平滑的速度稳定性,可与高质量的直流有刷电机相媲美。低速性能优异,即使以低于0.01°(36arcsec)/s的极低速转动时,其位置跟随误差仍可优于±0.5arc sec。
■出色的运动轴摆
A轴采用两个大直径角接触轴承,独特的大跨距设计极大地减小了运动轴摆,提高了系统刚度和重复性。同时大直径轴承能够承受更大的有效载荷,而不会影响性能。
■A轴高精度在线检测
AB_MRS可以通过A轴后端进行在线高精度检测和误差修正。即使由于负载和阿贝臂的引入也能实现高精度在线检测。可以极大的提高设备的工作效率。经误差校准后,可以获得≤1.5arc sec(ISO230-2)的定位精度。






